Those familiar with crushing and sand-making production lines will undoubtedly be well acquainted with cone crushers. They are ideally suited for the secondary medium-fine crushing stage within such operations, frequently paired with jaw crushers. Cone crushers boast an advanced structural design, highly efficient crushing capabilities, reliable and stable operation, and low production costs.
The motor of the single-cylinder hydraulic cone crusher drives the transmission shaft via a pulley and V-belt transmission system. This shaft, through large and small bevel gears, rotates the eccentric sleeve. The moving cone, under the action of the eccentric sleeve, continuously performs a rotating and swinging motion via the main shaft. The moving cone approaches the stationary cone before moving away from the bowl liner. Raw materials undergo repeated impact and compression within the crushing chamber between the concave and convex walls, achieving fragmentation. The final crushed material discharges from the bottom outlet.
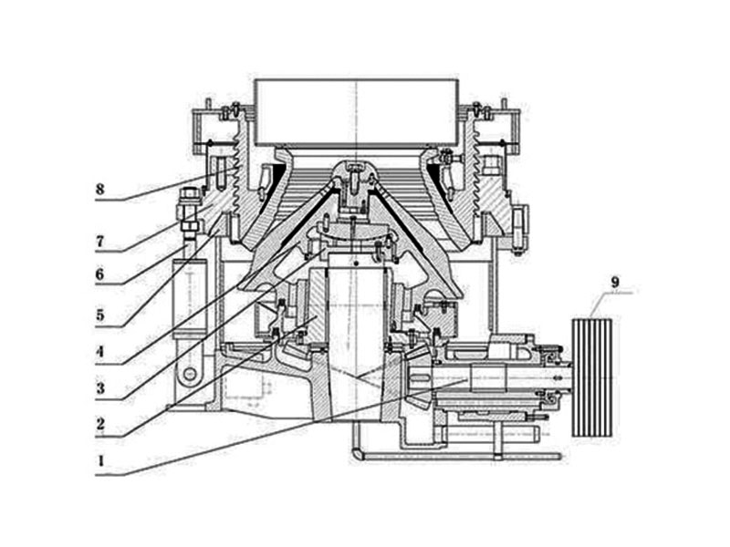
Moving Cone Assembly: Main shaft, moving cone, concave liner
Upper Frame Assembly: Upper frame, upper frame guard plate, concave liner, cap
Lower Frame Components: Lower frame, lower frame guard plate, lower frame liner plate, eccentric sleeve bushing, seal barrel
Drive Shaft Components: Trough, drive shaft, bearings, drive shaft bracket, pinion gear
Eccentric Sleeve Components: Counterweight ring, eccentric sleeve, crown gear, main shaft bushing
Hydraulic cylinder assembly: Middle friction disc, lower friction disc, cylinder liner, cylinder base, displacement sensor

Schematic Diagram of Single Cylinder Cone Crusher
Moving cone assembly: Main body crushing ratio hammer ball bearing
Frame assembly: Frame main shaft guide pin
Eccentric sleeve assembly: Eccentric sleeve balancing ring, large bevel gear
Drive assembly: Drive shaft small bevel gear bushing
Support Sleeve Assembly: Support sleeve locking cylinder locking nut
Adjustment Ring Assembly: Adjustment ring, grinding bowl liner

Schematic Diagram of Multi Cylinder Hydraulic Cone Crusher
The crushing chamber of the cylindrical crusher employs a laminated crushing principle. This not only enhances crushing capacity and efficiency but also improves product particle shape. The finished product exhibits a cubic form. Should you wish to learn more about cone crushers, please do not hesitate to contact us!
The URL for this article is: https://www.victorsmachine.com/company-blog/industrial-cone-crusher-diagram/ Please credit the source when reposting. Thank you.
We know how to get energy from waste. Let’s build better future for everyone, together !
Our ever-evolving offering for mining and construction covers crushing, screening, breaking, demolition, and service solutions – designed to increase productivity and boost your bottom line.